Operating Point نقطة التشغيل
Operating Point نقطة التشغيل
عندما يتم رسم خط ينضم إلى نقاط التشبع والقطع ، يمكن تسمية هذا الخط باسم خط التحميل . هذا الخط ، عند رسمه فوق منحنى خصائص الإخراج ، يقوم بالاتصال عند نقطة تسمى نقطة التشغيل .
وتسمى هذه النقطة التي تعمل أيضا نقطة هادئة أو ببساطة Q-نقطة . يمكن أن يكون هناك العديد من نقاط التقاطع هذه ، ولكن يتم تحديد نقطة Q بطريقة تجعل الترانزستور ، بغض النظر عن تأرجح إشارة التيار المتردد ، في المنطقة النشطة.
يوضح الرسم البياني التالي كيفية تمثيل نقطة التشغيل.

يجب ألا تنزعج نقطة التشغيل لأنها يجب أن تظل مستقرة لتحقيق تضخيم أمين. ومن ثم فإن نقطة السكون أو نقطة Q هي القيمة التي يتحقق فيها التضخيم الصادق .
التضخيم الأمين
تسمى عملية زيادة قوة الإشارة بالتضخيم . يسمى هذا التضخيم عند القيام به دون أي خسارة في مكونات الإشارة بالتضخيم المخلص .
التضخيم المخلص هو عملية الحصول على أجزاء كاملة من إشارة الدخل عن طريق زيادة قوة الإشارة. يتم ذلك عندما يتم تطبيق إشارة التيار المتردد عند دخلها.

في الرسم البياني أعلاه ، يتم تضخيم إشارة الإدخال المطبقة بالكامل وإعادة إنتاجها دون أي خسائر. يمكن فهم هذا على أنه تضخيم صادق .
يتم اختيار نقطة التشغيل بحيث تقع في المنطقة النشطة وتساعد في إعادة إنتاج إشارة كاملة دون أي خسارة.
إذا تم اعتبار نقطة التشغيل بالقرب من نقطة التشبع ، فسيكون التضخيم أقل من ذلك.

إذا تم اعتبار نقطة التشغيل بالقرب من نقطة القطع ، فسيكون التضخيم كما هو.

ومن ثم فإن وضع نقطة التشغيل هو عامل مهم لتحقيق التضخيم الصادق. ولكن لكي يعمل الترانزستور بشكل صحيح كمضخم ، تظل دائرة الإدخال (أي تقاطع القاعدة-الباعث) منحازة للأمام ودائرة الخرج (على سبيل المثال ، تقاطع قاعدة التجميع) تظل منحازة عكسية.
وبالتالي تحتوي الإشارة المضخمة على نفس المعلومات الموجودة في إشارة الإدخال بينما تزداد قوة الإشارة.
العوامل الرئيسية للتضخيم الصادق
لضمان التضخيم الأمين ، يجب استيفاء الشروط الأساسية التالية.
- التيار المناسب لمجمع الإشارة الصفري
- الحد الأدنى المناسب لجهد باعث القاعدة (V BE ) في أي لحظة.
- الحد الأدنى المناسب من جهد المجمع-الباعث (V CE ) في أي لحظة.
يضمن استيفاء هذه الشروط أن الترانزستور يعمل على المنطقة النشطة ذات المدخلات المنحازة للأمام والخرج المنحاز العكسي.
التيار المناسب لمجمع الإشارة الصفري
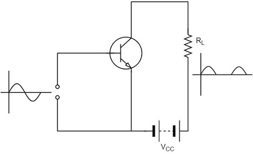
لفهم هذا ، دعونا نفكر في دائرة ترانزستور NPN كما هو موضح في الشكل أدناه. يكون تقاطع القاعدة-الباعث متحيزًا للأمام ويكون تقاطع المجمع-الباعث متحيزًا عكسيًا. عندما يتم تطبيق إشارة عند الإدخال ، فإن تقاطع القاعدة-الباعث في ترانزستور NPN يتحيز للأمام من أجل نصف دورة موجبة للإدخال ومن ثم يظهر عند الإخراج.
بالنسبة للدورة النصفية السلبية ، يحصل نفس التقاطع على انحياز عكسي وبالتالي لا تعمل الدائرة. هذا يؤدي إلى تضخيم غير مخلص كما هو موضح في الشكل أدناه.

دعونا الآن نقدم بطارية V BB في الدائرة الأساسية. يجب أن يكون حجم هذا الجهد بحيث يجب أن يظل تقاطع الباعث الأساسي للترانزستور متحيزًا للأمام ، حتى بالنسبة للدورة النصفية السلبية لإشارة الإدخال. عندما لا يتم تطبيق أي إشارة دخل ، يتدفق تيار مستمر في الدائرة ، بسبب V BB . وهذا ما يعرف إشارة الصفر جامع التيار I C .
خلال دورة النصف الموجبة للإدخال ، يكون تقاطع القاعدة-الباعث أكثر تحيزًا للأمام وبالتالي يزداد تيار المجمع. خلال الدورة النصفية السلبية للإدخال ، يكون تقاطع الإدخال أقل تحيزًا للأمام وبالتالي ينخفض تيار المجمع. ومن ثم تظهر كل من دورات الإدخال في المخرجات وبالتالي نتائج التضخيم الصادقة ، كما هو موضح في الشكل أدناه.

ومن ثم ، من أجل التضخيم المخلص ، يجب أن يتدفق تيار مجمع الإشارة الصفري المناسب. يجب أن تكون قيمة تيار مجمع الإشارة الصفري مساوية على الأقل للحد الأقصى لتيار المجمع بسبب الإشارة وحدها.
الحد الأدنى المناسب من V BE في أي لحظة
يجب أن يكون الحد الأدنى لجهد القاعدة لجهد المرسل V BE أكبر من جهد القطع حتى يكون التقاطع متحيزًا للأمام. الحد الأدنى للجهد المطلوب لتوصيل ترانزستور السيليكون هو 0.7 فولت ولترانزستور الجرمانيوم 0.5 فولت. إذا كان جهد الباعث الأساسي V BE أكبر من هذا الجهد ، يتم التغلب على الحاجز المحتمل ، وبالتالي يزداد تيار القاعدة وتيارات المجمع بشكل حاد.
ومن ثم إذا انخفض V BE لأي جزء من إشارة الإدخال ، فسيتم تضخيم هذا الجزء إلى حد أقل بسبب تيار المجمع الصغير الناتج ، مما يؤدي إلى تضخيم غير مخلص.
الحد الأدنى المناسب من V CE في أي لحظة
لتحقيق تضخيم صادق ، يجب ألا يقل جهد باعث المجمع V CE عن جهد القطع ، والذي يسمى جهد الركبة . إذا كان V CE أقل من جهد الركبة ، فلن يكون تقاطع قاعدة المجمع متحيزًا بشكل صحيح. ثم لا يمكن للمجمع جذب الإلكترونات المنبعثة من الباعث وسوف تتدفق نحو القاعدة مما يزيد من تيار القاعدة. وبالتالي فإن قيمة β تقع.
لذلك ، إذا انخفض V CE لأي جزء من إشارة الدخل ، فسيتم مضاعفة هذا الجزء إلى حد أقل ، مما يؤدي إلى تضخيم غير مخلص. لذلك إذا كانت V CE أكبر من V KNEE ، فإن تقاطع قاعدة المجمع يكون منحازًا عكسيًا بشكل صحيح وتظل قيمة β ثابتة ، مما يؤدي إلى تضخيم أمين.
